服务热线热线:

400-809-1101

Magnetostrictive sensor

磁致伸缩位移传感器

一体超声波液位传感器-型号CSCG-220
产品简介:

技术指标参数测量范围0~15m(根据实测量程定制)盲 区0.35m~0.6m测距精度0.5%(标准条件)测距分辨率1mm 压 力<0.1MPa

型号:

发布时间:2025-03-14

性质:

访问量:

服务热线

400-809-1101

立即咨询
产品介绍

技术指标

参数

测量范围

0~15m(根据实测量程定制)

盲    区

0.35m~0.6m

测距精度

±0.5%(标准条件)

测距分辨率

1mm 

压    力

<0.1MPa

仪表显示

自带LCD显示

声波角度

0-12°

供电电压

DC24V(二/四线制)、DC12V(四线制)、AC220V(四线制)

继电器输出

选配(AC220V3a/ DC24V3A

模拟输出

4~20mA(二/四线制)、RS485(四线制)

环境温度

-20℃ ~ +60℃

防护等级

IP65

  1. 型号:CSCG-220

  2. 概述

超声波液位计是由微处理器控制的数字物位仪表。在测量中脉冲超声波由传感器(换能器)发出,声波经物体表面反射后被同一传感器接收,转换成电信号。并由声波的发射和接收之间的时间来计算传感器到被测物体的距离。型号完备,低盲区、高灵敏度,易安装,加上独到的自动功率控制技术,是真正经得起各种现场的考验。             

测量介质:水、污水、水泥、酸碱液、煤粉、泥浆、重油等 

  1. 产品特点

1.仪表具有安全、清洁、精度高、寿命长、稳定可靠、安装维护方便等特点。

2.适用酸、碱、盐、防腐、高温等各种领域。

3.仪表电路从电源部分起就选用高质量的电源元器件,选择进口高稳定可靠的器件,完全可以替代同类型国外进口仪表。

4.非接触式仪表,不跟液体直接接触,因此故障率低。

  1. 外形尺寸



一体超声波液位传感器-型号CSCG-220(图1)


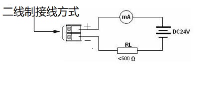
  1. 接线方法


一体超声波液位传感器-型号CSCG-220(图2)


四线制接线方式

旋开液晶显示外壳即见仪表的接线板,如下图所示:

一体超声波液位传感器-型号CSCG-220(图3)



在线留言

ONLINE MESSAGE

留言框

  • 产品名称:

  • 您的单位:

  • 您的姓名:

  • 联系电话:

  • 常用邮箱:

  • 省份:

  • 详细地址:

  • 留言内容:

  • 验证码: